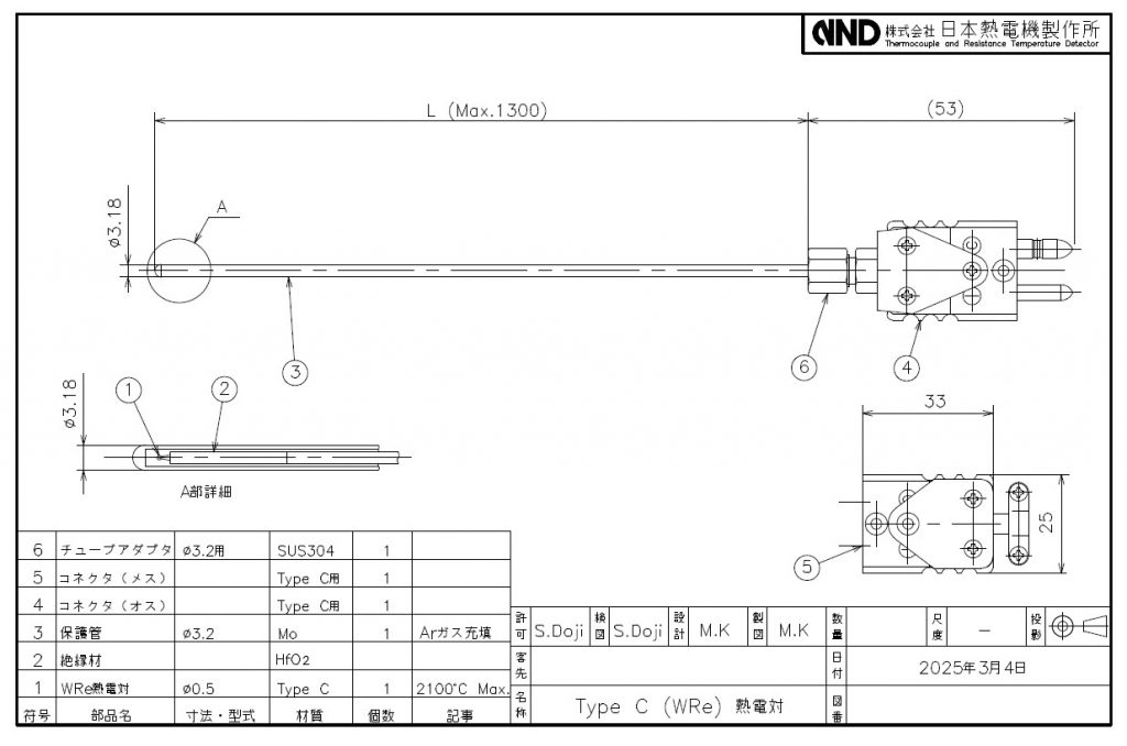
2100℃ max アルゴンガス封入型

| 熱電対種別: | Type C (W5Re/W26Re) |
| 保護管材質: | Mo (モリブデン) |
| Ta (タンタル) | |
| Mo + W コート (モリブデン+タングステンコート) | |
| W (タングステン) | |
| 絶縁管材質: | HfO2 (酸化ハフニウム) |
| PBN (熱分解窒化ホウ素) | |
| 標準型式: | 外径:φ3.2mm (Mo) |
| 長さ:1300mm (MAX) (Mo) |
仕様
- 高温領域での真空又は各種ガス雰囲気中では、炉内試料によっては非常に激しい反応が予想されます。
- 保護管等の材料選択には充分な管理が必要になります。
- 長さ・太さ・材質組み合わせ等、ご相談ください。

